Общие требования
Трансформаторы тока – это оборудование, которое устанавливают, чтобы снизить (преобразовать) показатель до уровня, нормального для работы механизмов учета и контроля (счетчиков).
Другими словами данные приборы (производства компаний Меркурий, Ленэлектро и других) устанавливают на участках со значительной мощностью в том случае, когда прямое подключение невозможно из-за высоких токов. Непосредственное подсоединение без соответствующего предохранителя приводит к сгоранию магнитных катушек и выходу оборудования из строя.
Как правило, подключением трансформаторов тока занимаются мастера специальных монтажно-наладочных организаций. На крупных производствах существуют отдельные цеха и лаборатории.
В первую очередь проводится ревизия техники – внешний осмотр, проверка на работоспособность и предельную мощность. Кроме этого замеряется тангенс внутреннего изоляционного провода и сопротивления. Исходя из полученных данных, выбирается схема подключения, делается разметка, просверливается необходимое количество отверстий.
Принцип работы измерительных трансформаторов
Внутренне устройство и метод работы трансформаторов тока базируется на простых принципах, схема несложная. Первичная обмотка катушки подключается последовательно, чтобы протекал фазовый нагрузочный ток. После возникает индукция электромагнитного поля, которая переходит на обмотку вторичной катушки. В последнюю врезают трехфазные трансформаторы.
Для уменьшения используется коэффициент трансформации, благодаря которому во второстепенную обмотку поступает меньшее количество электроэнергии. Так обеспечивается нормальная работа счетчика, а показатели на выходе необходимо умножать на число коэффициента, чтобы получилось истинное значение израсходованного напряжения.
Таким образом, трансформаторный механизм преобразует высокое напряжение на входе в приемлемое для счетчика. Оборудование работает при частоте в 50Гц и токе 5А. например, если устройство имеет предельный показатель нагрузки в 100А, данные на выходе умножаются на 20 (100 разделить на 5).
Благодаря переходникам обеспечивается защита счетчиков от перепадов напряжения, коротких замыканий, перегрузок. Более того, если сгорит трансформатор, его легче заменить, чем электротехнический счетчик.
При подключении стоит учитывать и некоторые недостатки. Наиболее распространенный вариант – не учитывается стартовое значение тока прибора учета. В таком случае счетчик просто не сможет начать работу.
Несоблюдение полярности при подключении – еще одна часто допускаемая ошибка. На входе катушки первичной обмотки находится две клеммы – одна для фазы L1, другая для нагрузки L2. Измерительная обмотка для катушки также оснащена двумя клеммами (И1 и И2). Кабель требуется подключать на соответствующие контакты, предварительно рассчитав предельную нагрузку.
Если некорректно соединить микроконтакты и провода, возникнет короткое замыкание. Подобное может привести к выходу устройств из строя, возгораниям.
Схемы подключения
Электротехнические счетчики и трансформаторы соединяются с учетом требований безопасности и правил работы, а также особенностями самого прибора. Минимальная температура установки – +5˚ по Цельсию. В противном случае не получится корректного технического соединения – приборы, работающие с напряжением и токами, плохо переносят низкие температуры.
Если требуется подключить трансформатор на улице в холодное время года, необходимо сооружать специальный шкаф – утепленный и герметичный. Сам прибор обычно устанавливают на высоте 1-1,7 метра.
Установка счетчика с трансформаторами тока
Не всегда есть возможность измерять потраченную электроэнергию через счетчик, подсоединенный к сети питания напрямую (в розетку). В цепях с напряжением в 380 Вольт и пределами токов больше 100А – соответственно и потребление вырастает до 60 кВт – требуется монтаж измерительного трансформатора тока. Подобное соединение мастера называют косвенным, но такой способ дает наиболее точные данные. Кроме этого есть и еще два метода:
Первое используется на промышленных предприятиях и крупных заводах с расходом мощности выше 0,4 кВт и током силой более 100А.
Схема «звезда» в свою очередь может быть полной и неполной. Для полной звезды подойдут устройства с равномерным распределением нагрузки и симметричным токовым потоком. Трансформатор устанавливается на все фазы, а релейная обмотка соединяется по форме звезды.
Неполная – двухфазная двухрелейная схема с образованием части звезды. Данная схема быстро реагирует на короткие замыкания (кроме заземления), а также есть возможность установки на межфазных щитках.
Установка многовиткового измерителя
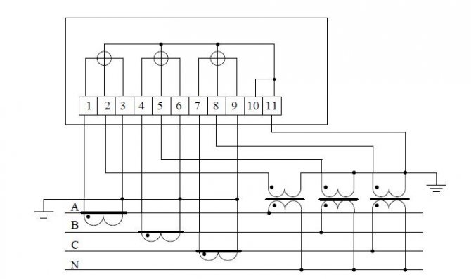
Трехфазный счетчик трансформаторного включения используют в многопроводных сетях. При многовитковых соединениях первичную обмотку катушки заменяют на кабельную. Прибор контролирует движение тока по вторичной обмотке. В остальном – трансформатор работает по тому же принципу, что и оборудование другого типа.
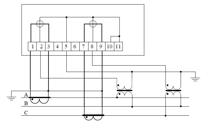
Десятипроводная схема
Данный способ подключения подходит для использования в мощных силовых цепях, работа которых обеспечивается трансформаторами. Развязка гальванического типа подходит для промышленных и бытовых нужд и гарантирует безопасность эксплуатации оборудования. Последовательность соединения по клеммам (от первой к последней):
- фаза, вход (А);
- измеряющий контур фазного механизма, вход;
- измерительный привод, выход (А);
- клемма, фаза, вход;
- измеряющий контур фазного механизма, выход (В);
- фаза, выход (В);
- фаза, вход (С);
- контур, измерение фазы – вход.
Десятипроводная схема не требует отключения электропитания при замене счетчика и выполнении других работ. Токовые цепи надежно заземляются, что исключает возможность накопления нежелательного потенциала. Каждая фаза собирается независимо друг от друга – в случае поломки на одной другие продолжат работу.
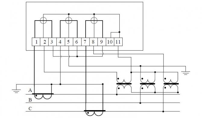
Семипроводная схема
Подобная схема подключения имеет ряд преимуществ и некоторые недостатки. Незначительно отличается от десятипроводной. Работать со счетчиком удобно – нет необходимости отключать систему полностью при проведении работ со щитком, приборами учета и трансформаторами.
Учет электроэнергии с трансформаторами тока
Корректный учет потребляемой энергии обязателен. Намеренные или случайные ошибки приведут к проверкам, штрафным санкциям, увольнениям, в особо серьезных случаях, когда финансовые обязательства после перерасчета оказываются непосильными – к закрытию и банкротству предприятий.
Электросчетчик является основным прибором, который показывает расход энергии на текущий момент. Современные модели выдают показания с большей точностью, есть возможность настроить несколько режимов работы (например, разный учет в дневное и ночное время – отличаются тарифы). Мастера рекомендуют устанавливать электронное оборудование, а не индукционное. Первые намного дороже, но отражают более точные данные.
Первое, на что обращают внимание – количество фаз в сети. Счетчики и трансформаторы должны иметь одинаковое число фаз с электросетью.
Трехфазные устройства допускаются на однофазные сети (не наоборот), однако стоят в несколько раз дороже. Подобный вариант используют, если такой трансформатор есть в наличии.
Важный момент – класс точности трансформаторов. На большей части объектов используется маркировка 2,0, этого для среднего производства и бытовых нужд достаточно. Для крупномасштабных заводов, подстанций, зданий необходим более высокий класс – 1,0. Оптимальный вариант, если обозначение дополнено буквой S, которая означает максимальную точность прибора.
Электроэнергия – это товар, за пользование которым необходимо вносить определенную плату. Для разных ситуаций – промышленность, квартиры, соц объекты, другое – предусмотрены отдельные тарифы. Чтобы корректно оплачивать потребленную энергию, необходим правильный и точный учет.
Если счетчик работает исправно, опломбирован соответствующими службами, его показания передают в организацию, с которой заключен договор на поставку электроэнергии. Далее в соответствии с электромерой, рассчитывается оплата.
Для крупных объектов, использующих большое напряжение, установка трансформаторов необходима. В противном случае будет невозможно использовать электросчетчики и снимать показания, вести учет потребляемого тока.
Подключение трехфазного счетчика через трансформаторы тока
Широко распространённая схема подключения трехфазного счетчика через трансформаторы тока (ТТ) применяется в электрических сетях напряжением 380 Вольт (мощность более 60 кВт и ток до 100 Ампер). Этот способ принято называть косвенным подключением, которое позволяет измерять большие нагрузочные токи посредством приборов учёта, рассчитанных на малую мощность (структурная схема включения приведена ниже).
Как видно из рисунка, этот метод существенно отличается от прямого включения, когда счётный прибор подключается непосредственно в фазные линии.
Воспользовавшись этим способом подсоединения трехфазного электросчетчика, удаётся снизить действующие в измерительных цепях токи до значений, определяемых коэффициентом передачи ТТ. Указанное пояснение позволяет понять, зачем применяется этот прибор (точнее для чего необходимо его включение в измерительную цепь).




Устройства прямого или непосредственного включения

Схема подсоединения приборов прямого соединения аналогична монтажу однофазного электросчетчика. Ее можно найти в соответствующей документации, прилагаемой к прибору, либо на внутренней стороне крышки. Подключение этого типа основано на соблюдении порядка соединения проводов по маркировке и цветам. Нечетные провода подключаются к нулевой жиле, а четные к фазе.
Последовательность присоединения считается слева направо по следующей схеме:
- 1ж — вход;
- А2 ж — выход;
- А3 з — вход;
- В4 з — вход;
- В5 к — вход;
- С6 к — выход;
- С7 с — ноль;
- ввод 8 с — ноль, выход.
Как подключить прибор учета самостоятельно
Для того чтобы самостоятельно сделать подсоединение счетчика, совершенно не нужно иметь специальное образование – достаточно базовых знаний электрики и техники электробезопасности. Не понадобятся и какие-нибудь специальные и дорогостоящие инструменты. Вполне подойдут самые обычные, которые есть в каждом доме – плоскогубцы, отвертка, индикатор напряжения, нож.
Подключение счетчика к однофазной сети
Практически все квартиры, дачи и небольшие загородные дома подключаются к однофазной сети, состоящей из двух проводов – нулевого и фазного. Для учета количества потребленной энергии в таких сетях используются однофазные счетчики.
Электронно-механический и электронный счетчики для одной фазы
Как видно из фото, устройство, независимо от типа, имеет всего четыре клеммы, при помощи которых электросчетчик и подключается. Первые две служат для коммутации фазного провода, две оставшиеся – нулевого. Чтобы понять, как подключить однофазный счетчик, достаточно взглянуть на простую схему:
Типовая схема подключения однофазного счетчика электроэнергии
По сути, нужно просто обесточить линию, разрезать провода и подсоединить в их разрыв электросчетчик. Естественно, не все так просто, как на рисунке. Придется определить фазный провод, не перепутать вход с выходом и надежно закрепить сам прибор. Но все эти задачи вполне решаемы. Поле окончания монтажных работ нужно вызвать представителя электросети – он проверит правильность монтажа и опломбирует клеммную крышку. С этого момента вам ее вскрывать нельзя.
Включение трехфазного устройства
Если питающая ваш объект сеть имеет три фазы (4 провода), то и прибор понадобится соответствующий. Трехфазный счетчик стоит несколько дороже своего однофазного собрата и это понятно – фактически это три однофазных механизма в одном корпусе, работающие на общее счетное устройство.

Установленный и подключенный многофазный электрический счетчик
А подключение его ненамного сложнее и требования к подключению те же: не попасть под напряжение, не перепутать провода и надежно закрепить устройство, защитив его от пыли и влаги:
Как подключить трёхфазный счётчик через трансформаторы тока
Трансформаторы тока используются, служа согласующими устройствами. Потребитель характеризуется большой мощностью. Включать счетчик напрямую в цепь опасно: может сгореть. Касается измерительных приборов, снабженных низкоомным входом. Ток растет, процесс надо ограничить. Рассмотрим сегодня, как подключить трехфазный счетчик через трансформаторы тока, зачем нужно. Попробуем объяснить на пальцах.
Как проверить трансформатор тока: практические наработки бывалого релейщика
Вернемся к конструкции ТТ и представим все, что способно в нем повредиться и мешать нормальной работе. Это:
- пробой диэлектрического слоя между обмотками, а также на корпус или магнитопровод;
- повреждение изоляции между витками вторичной обмотки, которое приведет к межвитковому замыканию и нарушению коэффициента трансформации;
- перепутывание направления навивки обмоток при монтаже за счет ошибок в маркировке или невнимательности персонала;
- механический износ контактов;
- обрывы провода.
Все проверки ТТ основаны на учете возможности возникновения этих дефектов и призваны обнаружить их появление. Первоначально всегда выполняется внешний осмотр, позволяющий визуально выявить наружные повреждения.
Проверка изоляции трансформатора тока: на что обращать внимание
Собранные полностью токовые цепи должны иметь изоляцию не менее 1 мегаома (МОм). Для ее измерения применяют специальные приборы — мегаомметры. Требования к их конструкции оговорены в технической документации на ТТ. В подавляющем большинстве случаев их выходное напряжение — 1000 вольт.
Измерение изоляции не предназначенными для этих целей приборами, например, современным цифровым мультиметром, выполнять нельзя. У них низкая мощность выходного сигнала. Она не позволит выявить скрытые дефекты.
К измерениям допускается мегаомметр, прошедший метрологическую поверку и испытания изоляции.

Им измеряют электрическое сопротивление:
- корпуса относительно всех обмоток;
- каждой обмотки относительно всех других.
Самый простой и надежный метод прямой проверки ТТ: прогрузка под реальной нагрузкой
Собирается штатная схема включения трансформатора. Его первичная обмотка подключается к силовым цепям, а вторичная — к нагрузке. В обе обмотки устанавливаются точные измерительные приборы: токовые клещи или амперметры.

На силовую цепь подается напряжение так, чтобы по ней протекал ток I1 с величиной от 0,2 до 1,0 номинального значения. Показания приборов снимаются во всех обмотках.
По результатам измерений делят значение тока первичной обмотки на его величину во вторичной: рассчитывают коэффициент трансформации. При совпадении вычисленного Ктт с заданным техническим паспортом делается вывод об исправности ТТ.
При прогрузке трансформатор работает в реальных условиях. По правилам безопасности его вторичная обмотка должна быть заземлена. Не пренебрегайте этим требованием.
Если на ТТ смонтировано несколько вторичных обмоток, то все они до прогрузки должны быть надежно закорочены или подключены к приборам измерения.
Магнитопроводы многих высоковольтных ТТ нуждаются в заземлении. У них на клеммной колодке имеется специальный зажим с соответствующей маркировкой. Это требование тоже нельзя игнорировать.
Прогрузка с амперметром во вторичной цепи не позволяет выявить дефекты, связанные с нарушением полярности подключения обмоток. Но, использование вольтамперфазоиндикатора (ВАФ) с токовыми клещами поможет измерить угол отклонения вектора тока от начала координат, сделать достоверный вывод.

К сожалению, на практике часто довольно сложно воспользоваться методом прогрузки. Поэтому ТТ проверяют иными способами.
Бытовое применение
Трехфазный прибор в частном доме — оптимальное решение в том случае, когда применяется техника с высоким расходом электричества. Техника работает эффективнее при включении в такую сеть. Три фазы исключают перекос фаз, который возникает при подключении в одну сеть одновременно нескольких устройств, требующих высокой мощности.
Для удобства и безопасности, установка проводится в специальных коробах.

Щиты с такой системой учета весьма габаритны. Несмотря на незначительное отличие по напряжению с однофазными установками, трехфазник обеспечивает равномерное распределение по системе. Это и является главным преимуществом, что позволяет без опасения пользоваться мощными плитами, обогревателями, нагревателями, асинхронными двигателями, бензопилами.
Монтаж на улице
Установка системы на улице, возможно при организации эффективной теплоизоляции. При отрицательной температуре воздуха не обеспечивается корректный учет электричества. Обычно реальный расход преувеличивается.
Установка требует специальных огнеупорных, герметичных коробов. Индикатор должен быть виден через прозрачное стекло. Подключение счетчика электроэнергии проводится на расстоянии от поверхности земли 80-170 сантиметров.

Схемы включения трехфазных электросчётчиков: варианты, методы

Для определения и контроля количество потребленной электроэнергии необходимо выполнить грамотное подключение счетчика. Рассмотрим существующие методы подключения трехфазных проборов учета.
Предполагаемая схема подключения счетчика будет определяться его типом. Сегодня существует несколько разновидностей трехфазных счетчиков:
- прямого подключения (счетчики 0.4кВ);
- косвенного подключения (через измерительные трансформаторы);
- полукосвенного включения.
Устройство и принцип работы измерительных трансформаторов
Классический трансформатор тока для счетчика представляет собой индуктивный преобразователь особой конструкции, в котором имеется две обмотки с различным количеством витков. Их число во вторичной однофазной катушке обычно меньше, чем в первичной обмотке.
Дополнительная информация. Применение трансформатора тока – один из способов снижения значений рабочих параметров с целью их измерения посредством обычных приборов.
При протекании тока в первичной обмотке ТТ, включенной последовательно в измеряемую линию, за счёт индуктивной связи во второй цепи начинает протекать нагрузочный фазовый ток меньшей величины. В эту же цепь включается токовая катушка бытового или промышленного трехфазного счѐтчика, рассчитанного на снятие текущих показаний расхода электроэнергии.
Токовые характеристики ТТ
Величина тока во вторичной цепи трансформаторного прибора зависит от коэффициента преобразования (Ктр), который может принимать стандартные значения из следующего ряда:
- В пределах от 20/5 до 50/5;
- В границах от 70/5 до 100/5;
- А также в диапазоне от 200/5 до 500/5.
Обратите внимание! В этом списке приведены лишь наиболее употребительные значения Ктр для электросчётчиков (полный перечень приводится на рисунке ниже).
Из приведённой таблицы видно, что если мы выберем определённое значение тока во вторичной цепи (5 Ампер, например), то этот же параметр в первичной цепи трансформатора для счетчика может быть заметно больше (кратность составит от 4-х до 100 раз).
ТТ для электросчетчиков
Принцип работы заключается в создании электричества во вторичной цепи благодаря прохождению электрических зарядов через обмотку трансформатора. Последняя подключается последовательно, благодаря чему начинает работать электромагнитная индукция, создающая электрические заряды.

Важно! Счетчик работает с повышенным током нагрузки благодаря трансформатору: устройство преобразует электричество, позволяя снять показания при мощности, превышающей допустимую.
Большинство преобразователей рассчитано на рабочую частоту 50 Гц с номинальным током 5 А. Устройство преобразовывает первичный заряд в безопасный для работы измерителя. Для получения реального результата требуется умножить показания счетчика на коэффициент трансформации. Это позволяет использовать прибор с низкой номинальной мощностью.
Устройство обладает недостатком: измерительный ток может быть ниже стартового — тогда показания не будут сняты. Подобный эффект имеет место при установке старых счетчиков, потребляющих электроэнергию. Современные модели используют электричество для работы, но в минимальных количествах.
Провод, использующийся для обмотки вторичной токовой цепи, должен иметь площадь более 2,5 мм² в поперечном сечении. Подключение происходит через опломбированный клеммник. Он позволяет:
- сменить неисправное устройство, не останавливая подачу электричества к потребителям;
- произвести технический осмотр.
Соединения выполняются маркированными проводниками. Каждый выход обозначается отдельным цветом, что облегчает будущий ремонт.
Перед подключением необходимо ознакомиться с паспортом, в котором указаны все необходимые сведения.
Три способа установки и схемы подключения трёхфазного электросчётчика
В бытовых цепях практикуются два способа установки трехфазного электросчетчика:
- Первый способ, через измерительные трансформаторы (полукосвенное подключение);
- Второй способ, непосредственная установка, иначе называемая прямоточным подключением. Оно возможно в электрических цепях до 100Ампер.
- В промышленных цепях высоковольтных линий практикуется косвенное подключение трехфазного счетчика через трансформатор тока и трансформатор напряжения, называется такое подключение косвенным.
Как снимать показания?
Если счетчик электроэнергии автоматически передает данные, то снимать показания вам не нужно. Так как они попадают на сервер поставщика электроэнергии автоматически, а с внедрением интеллектуальных систем, вы можете отслеживать показания через интернет приложение.
Если такая функция в вашем счетчике электроэнергии отсутствует, то вам на дисплее необходимо определить показания мощности, как правило, в кВт*ч. Для этого выпишите цифровое значение до запятой, десятые в расчете израсходованной мощности по электросчетчику не учитываются.

Как снять показания электросчетчика
Затем вычтите из полученных данных оплаченный объем электроэнергии за прошлый месяц – это и будет нужная вам величина.
Если вы используете двухтарифный счетчик электроэнергии, то съем показаний будет отличаться.
Преимущества и недостатки
Конструкция ТТ обеспечивает возможность безопасного подключения электросчетчика, который в нормальных условиях функционирует на рабочей сетевой частоте 50 Гц и номинальном токе во вторичной обмотке, равном 5-ти Амперам. Выбор значения Ктр = 100/5, например, позволяет рассчитать кратность передачи, обеспечивающей получение в нагрузочной цепи тока в 100 Ампер. В данном случае она соответствует 20-ти.
За счёт использования трансформаторных изделий этого класса удалось отказаться от неудобных в изготовлении и громоздких электрических приборов. Помимо этого, возможность подключения счетчика через трансформаторы тока гарантирует их надежную защищённость от КЗ и перегрузок.
Плюсы и минусы включения через ТТ
Если включить в измерительную цепь токовый трансформатор, вы сможете понизить токи до чисел, указанных в коэффициенте преобразования прибора. Если кратко описать устройство ТТ, становится ясно, что это индуктивный преобразователь с двумя обмотками: в первичной обмотке витков, как правило, больше, чем во вторичной, но бывает и наоборот.
Когда первичная катушка подключается последовательно в линию, во второй цепи образуется меньшая фазовая нагрузка. Туда же осуществляют подключение катушки счетчика через трансформаторы. Так вы обеспечите дополнительную защиту электросчетчика от перегрузок и короткого замыкания: в случае чего сгорит преобразователь, а не дорогостоящий счетчик.
Нас интересует такая токовая характеристика преобразователя, как коэффициент трансформации, или преобразования. Ток в 1-ной и 2-ной цепи по своему значению может отличаться в 4 — 100 раз, потому коэффициенты бывают разными:
При выборе коэффициента преобразования вы должны понимать, что нормальный режим работы электросчетчика предполагает сетевую частоту 50 Гц и номинальный ток в 5А. Коэффициент преобразования 100/5, например, означает, что кратность передачи равняется 20-ти, и вы сможете при правильном подключении трансформаторов тока к трехфазному счетчику обеспечить ток в нагрузочной цепи на уровне 100А.
Что выделяют из недостатков схемы подключения трехфазного счетчика через трансформаторы тока:
- сбои в работе устройства учета бывают в ситуации, когда измерительный ток во вторичной обмотке не доходит до границы срабатывания считывающего механизма, — такое случается при незначительном потреблении в линейных цепях; проблема актуальна для электромеханических моделей, но не электронных счетчиков;
- во время подключения трансформаторов тока к трехфазному счетчику надо внимательно учитывать полярность ТТ;
- трансформатору нужно обеспечить пространство для монтажа;
- специальные службы буду проводить проверки приборов.
Особенности подключения
При более внимательном рассмотрении схемы подключения 3 фазного счетчика через трансформатор обнаруживается, что она предполагает обязательное соблюдение полярности включения обеих обмоток. Перед тем, как подключить его посредством ТТ, важно обратить внимание на следующие детали:
- На первичной катушке имеются три пары входных клемм, один из контактов которых предназначен для подсоединения соответствующего фазного провода и обозначается литерой «Л1» (от второго контакта, помечаемого как «Л2» провод идёт непосредственно к 3х фазной нагрузке);
- На катушке измерения также имеются клеммы, обозначаемые как «И1» и «И2», соответственно, к которым в параллель подключается обмотка фазного счётчика;
- Сечение подключаемого к клеммам первичной обмотки кабеля выбирается исходя из значения тока в нагрузке;
- Во вторичных цепях должен применяться проводник с рабочим сечением не ниже 2,5 мм² (он идёт непосредственно к счетчику).
Дополнительная информация. Специалисты советуют организовывать подключение 3-х фазного ТТ особыми маркированными по цвету проводами, на концах которых нанесено обозначение.
Кроме того, очень часто подсоединение к счётчику вторичной обмотки организуется посредством промежуточного клеммника, на котором ставится специальная пломба.
Отметим также, что наличие дополнительных контактов обеспечивает простоту замены и обслуживания 3-х фазного счётного прибора. При его применении энергию от потребителей во время ремонтных манипуляций можно не отключать.
Подключение 3х фазного счетчика
Приборы данного типа включаются в эклектическую сеть напрямую, по аналогии с однофазными счетчиками. Они обычно рассчитаны на небольшую пропускную мощность (ток до 100 А), отверстия под провода имеет сечение 25мм2 (или даже 16 мм2).

- Процесс подключения проводов имеет вид:
- ввод фазы А;
- к нагрузке фазы А;
- ввод фазы В;
- к нагрузке фазы В;
- ввод фазы С;
- к нагрузке фазы С;
- ввод нуля;
- вывод нуля к нагрузке.
Подключение трехфазного счетчика через трансформаторы тока схема
Максимальный ток счетчика электроэнергии, как правило, ограничен значением 100 А, поэтому применить их в мощных электроустановках невозможно. В этом случае подключение к трехфазной сети идет не напрямую, а через трансформаторы.

Это также позволяет расширить диапазон измерения приборов учета по току и напряжению. Однако, основная задача входных трансформаторов – уменьшить первичные токи и напряжения до безопасных значений для ЭС и защитных реле.
- Полукосвенное
При подключении счетчика через трансформатор необходимо следить за полярностью начала и конца обмоток трансформатора тока, как первичной (Л1, Л2), так и вторичной (И1, И2).
Аналогично нужно следить за полярностью при использовании трансформатора напряжения. Общую точку вторичных обмоток трансформаторов необходимо заземлять.
- Назначение контактов трансформатора тока:
- Л1 — вход фазной (силовой) линии.
- Л2 — выход фазной линии (нагрузка).
- И1 — вход измерительной обмотки.
- И2 — выход измерительной обмотки.

Такой тип включения электросчетчика в сеть 380 Вольт позволяет разделить цепи тока и напряжения, что повышает электробезопасность. Минусом данной электрической схемы трехфазного подсоединения является большое количество проводов, необходимых для подключения ЭС.
- Звезда
Такой тип подключения счетчика электроэнергии с заземлением к сети 380 В требует меньшего количества проводов. Включение по схеме звезда достигается объединением вывода И2 всех обмоток ТТ в одну общую точку и подсоединением к нулевому проводу.

Недостатком этого способа подключения электросчетчика в сеть 380 Вольт является ненаглядность схемы соединений, что может усложнить проверку включения для представителей энергоснабжающих компаний.
- Косвенное
Такая схема подключения трехфазного счетчика используется на высоковольтных присоединениях. Такой тип непрямого присоединения используется в большинстве случае лишь на крупных предприятиях и приведен лишь для ознакомления.

В этом случае используются не только высоковольтные трансформаторы тока, но и трансформаторы напряжения. Для трехфазного подключения необходимо заземлять общую точку трансформаторов тока и напряжения.
Для минимизации погрешности измерений если присутствует несимметрия фазовых напряжений необходимо, чтобы нулевой проводник сети был связан с нулевым зажимом счетчика.
Трансформаторы тока для электросчетчиков
Счетчики для расчетов за потребляемую электроэнергию между энергоснабжающей организацией и потребителями следует устанавливать на границе раздела сети по балансовой принадлежности и эксплуатационной ответственности между энергоснабжающей организацией и потребителем.

Число счетчиков на объекте должно быть минимальным и обосновано принятой схемой электроснабжения объекта и действующими тарифами на электроэнергию для данного потребителя.
Расчетные счетчики у арендаторов, находящихся в жилых, общественных и других зданиях и обособленных в административно-хозяйственном отношении, надо устанавливать раздельно для каждого самостоятельного потребителя (организации, домоуправления, ателье, магазина, мастерской, склада и т.д.).
Коэффициент трансформации трансформаторов тока следует выбирать по расчетной присоединяемой нагрузке с учетом работы установки в аварийном режиме.
Завышенным по коэффициенту трансформации считается такой трансформатор тока, у которого при 25%-ной расчетной присоединяемой нагрузке (в нормальном режиме) ток во вторичной обмотке будет менее 10% номинального тока счетчика (номинальный ток — 5 А).
В зависимости от величин сопротивления потребителей вторичной цепи Z2, Ом, и вторичной нагрузки трансформатора тока S2, ВА, один и тот же трансформатор тока может работать в различных классах точности.
Для обеспечения достаточной точности показаний приборов и действия аппаратов защиты, подключенных к трансформатору тока, необходимо, чтобы величина Z2 не выходила за пределы номинальной нагрузки трансформатора тока.
Угловая погрешность определяется углом δ между векторами тока I1 и I2 и учитывается только в показаниях счетчиков и ваттметров.
Трансформаторы тока имеют следующие классы точности: 0,2; 0,5; 1; 3; 10, что соответствует величинам токовых погрешностей.
- Класс точности трансформаторов тока должен быть:
- для счетчиков коммерческого учета — 0,5;
- для электроизмерительных приборов— 1;
- для реле токовых защит — 3;
- для лабораторных приборов — 0,2.
Пример выбора трансформаторов тока для подключения счетчика. Расчетный ток присоединения в нормальном режиме — 90 А, в аварийном — 126 А. Выбирают трансформаторы тока с коэффициентом трансформации nт = 150/5 исходя из нагрузки в аварийном режиме.
Проверка. При 25%-ной нагрузке ток в первичной цепи составляет I1 = (90 х 25)/100 = 22,5 А.
Ток во вторичной цепи (при коэффициенте трансформации nт = 150 : 5 = 30) составит:
I2 = I1/nt = 22,5/30 = 0,75 А.
Сечение жил проводов или кабелей от трансформаторов тока до счетчиков должно быть не менее: медных — 2,5, алюминиевых — 4 мм2. Максимальное сечение жил проводов и кабелей, которые возможно подключить к клеммам прибора, не должно превышать 10 мм2.
При выборе трансформаторов тока к расчетным счетчикам рекомендуется использовать данные из ПУЭ (таблица «Выбор трансформаторов тока»).
Использование переходной испытательной коробки
Установка аппарата:
- монтирование в узел учета эталонного устройства учета;
- ориентирование тока в электрической цепи через токовые петли;
- выключение токовых цепей;
- присоединение фазных проводников на устройстве учета.
Испытательная переходная коробка (КИП) создана для «закоротки» (шунтирования) токовых цепей.

Важные нюансы при включении счетчика с помощью ТТ
- До покупки определитесь с типом счетчика, местом монтажа, классом напряжения и продумайте схему подключения счетчика через трансформаторы тока.
- Внимательно прочтите паспорт прибора, рассмотрите схему на клеммной крышке с маркировкой и номерами выводов.
- Электромонтажные работы с токовыми цепями проводятся в строгом соответствии с ПУЭ. Электропровода токовых цепей в сечении должны превышать 2,5 мм 2 .
- Очень удобно эксплуатировать и обслуживать систему в дальнейшем, если сделать буквенную и цифровую маркировку проводки вторичных цепей. Цветом можно выделить другие провода трансформатора.
- Чтобы облегчить ремонт и замену 3-фазного электросчетчика, предусмотрите дополнительные контакты. Вам не придется отсоединять потребителей от электроэнергии при ремонтных работах.
Как выбирают ТТ? Значение тока максимальное во вторичной обмотке не должно превышать 40% от номинала, минимум составляет 5%. Порядок фазных напряжений, подключаемых к счетчику, контролируют фазометром.
Соблюдения полярности подключения обмоток — ключевой момент. Три пары клемм входа размещены на первичной обмотке, один из их контактов Л1 нужен, чтобы подключить правильный фазный провод. Второй контакт Л2 ведет проводку к 3-фазной нагрузке. И1, И2 — клеммы на измерительной обмотке, катушка 3-фазного электросчетчика подсоединяется к ним в параллель. Какое будет сечение у кабеля, идущего к клеммам первичной катушки, зависит от тока нагрузки, во вторичных цепях к счетчику подключен проводник от 2,5 мм 2 и более.
Виды многотарифных приборов и правила выбора
Грамотный выбор счетчика многотарифного учета невозможен без знания существующих разновидностей этих приборов
Для знакомства с ними важно оценить все возможные варианты, по которым производится такая классификация
Виды приборов
Электронный двухтарифный счетчик
По принципу действия многотарифные счетчики подобно всем другим образцам этой техники подразделяется на индукционные и электронные модели. И те и другие приборы по виду учитываемой электроэнергии делятся на однофазные и трехфазные приборы, устанавливаемые в цепях 380 Вольт. Трехфазные многотарифные электросчетчики используются в частных хозяйствах, где возможна установка соответствующего силового оборудования. К нему относятся насосы, токарные и фрезерные станки, а также другие механизмы, в состав которых входят асинхронные двигатели.
Различие предлагаемых пользователю учетных приборов проявляется в мощности, которую он способен выдержать, а также в заявленной стоимости конкретного образца.
Критерии выбора
Однофазный счетчик
Перед покупкой прибора учета нужно освоить правила его выбора, обычно сводящиеся к следующим моментам:
- определиться с типом учета: однотарифный или с несколькими тарифными планами;
- решить, какой тип счетчика требуется по виду питания: трехфазный на 380 Вольт или однофазный;
- проконсультироваться у специалистов по вопросу мощности приобретаемого прибора, зависящей от величины потребления в бытовой сети: количества одновременно подключаемых к ней приборов;
- убедиться в наличии сертификата качества, гарантирующего надежность эксплуатации счетчика.
Крайне важно заранее определиться с тем, какой выбирать прибор по принципу работы (электронный или индукционный). Несмотря на то что стоимость первого несколько выше, лучше всего выбрать именно его
Благодаря встроенной электронной схеме, содержащей в своем составе микропроцессорный чип, этот тип счетчика считается более надежным. https://www.youtube.com/watch?v=11_WXGjLwEw
Схемы подключения трансформаторов
От того, какая схема подключения трехфазного счетчика через трансформаторы тока используется в данном случае, зависит надёжность работы всей измерительной системы в целом. При выборе той или иной из них необходимо учитывать следующие требования:
- Запрещено включать счетчик через трансформаторы тока, если он предназначен для прямого подсоединения в измерительную сеть;
- При косвенном включении необходимо исследовать электрическую схему и определиться с подходящей для неё моделью трансформатора (по мощности и току);
Важно! Перед тем, как выбрать трансформатор для каждой конкретной ситуации, прежде всего, следует обратить внимание на его коэффициент преобразования, имеющий отличные значения для разных моделей.
- Прежде чем выбрать трансформатор тока для определённой измерительной схемы нужно внимательно изучить порядок расположения контактов, к которым подключается трехфазный счетчик.
Далее будет рассмотрена конкретная схема подключения счетчика в трёхфазную цепь
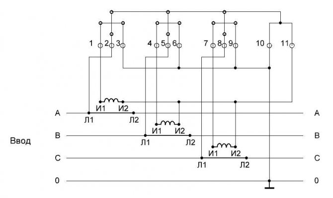
Поскольку общий принцип функционирования всех электросчетчиков одинаков, то назначение имеющихся на них клемм также схоже. Для фазы «А» оно выглядит следующим образом:
- Контакт К1 нужен для того, чтобы подключать к счётчику токовый провод и один конец катушки напряжения трансформатора;
- Клемма К2 предназначена для подключения нагрузки к данной фазной линии;
- Контакт К3 используется для подсоединения второго конца обмотки напряжения ТТ.
Таким же образом к счётчику подключается вторая фаза «В» (посредством клемм К4, К5 и К6), а также третья – «С» с контактами К7, К8, К9.
Обратите внимание! Клемма К10 – общая нулевая, относительно её на К1, К4 и К7 счётчика поступают фазные напряжения со следующими тремя обозначениями: «А», «В» и «С».
К недостаткам совмещённой схемы следует отнести большую погрешность измерения потребляемой мощности, а также невозможность выявления пробоя в обмотках трансформатора.
На практике чаще всего применяется более простая схема подключения электросчетчика, согласно которой осуществляется совмещённое подсоединение вторичных токовых цепей. Она функционирует следующим образом:
- К токовому контакту счётчика от сетевого автомата подключаются фазные провода. Для упрощения схемы к нему же подсоединяется вторая клемма фазного напряжения;
- Фазный ввод катушки выбираем таким образом, чтобы он одновременно являлся выходом первичной обмотки ТТ. В дальнейшем он подсоединяется к нагрузке через распределительные цепи;
- Начало вторичной трансформаторной обмотки подсоединяется к первому контакту токовой катушки счетчика (по одной из фаз);
- Конец вторичной трансформаторной катушки соединён с концом токовой обмотки подключенного счётного механизма.
Аналогичным образом подключаются все оставшиеся фазы.
Соединение и заземление вторичных обмоток счётчика осуществляется в соответствии с требованиями ПУЭ (они выполняются по схеме «звезда»).
Благодаря такой организации подключения контактов получается семипроводная схема (в отличие от 10-ти контактной). В заключение следует напомнить, что при подключении через ТТ важен грамотный выбор его типа.
Правильно выбрать трансформатор тока, значит, принять в расчет, что максимально допустимое токовое значение во вторичной обмотке не может превышать 40% от номинала, а минимальное – 5%. Все подключаемые к счётчику фазные напряжения должны следовать в определенном порядке, который контролируется посредством специального прибора (фазометра).
- https://imerica.ru/v-dome/schetchik-transformatornogo-vklyucheniya-2.html
- https://dzgo.ru/montazh/podklyuchenie-trehfaznogo-schetchika.html
- https://crosna-electra.ru/specialistu/shema-podklyucheniya-vysokovoltnogo-ucheta.html
- https://electricremont.ru/podklyuchenie-3-faznogo-schetchika-cherez-transformatory-toka.html
- https://ElectrikBlog.ru/transformatory-toka-dlya-elektroschetchikov-obzor-konstrukczij-i-shem-podklyucheniya-prostymi-slovami-dlya-nachinayushhego-elektrika/
- https://ProFazu.ru/elektrooborudovanie/schetchiki/trehfaznyj-schetchik.html
- https://ehto.ru/shemy-podklyuchenij/shemy-podklyucheniya-tryohfaznogo-elektroschyotchika
- https://www.asutpp.ru/trehfaznyy-schetchik-elektroenergii.html
- https://first-apartment.ru/trehfaznyj-schetchik-shema-podklyucheniya.html
- https://OTransformatore.ru/vopros-otvet/transformatory-toka-dlya-elektroschetchikov/
- https://odstroy.ru/podklucenie-transformatorov-toka-k-trehfaznomu-scetciku-semiprovodnaa-shema-podklucenia/
